எங்களுக்கு மின்னஞ்சல் அனுப்பு
செய்தி

மினி அகழ்வாராய்ச்சியாளர்களின் கட்டுமானம் மற்றும் பராமரிப்பு

மினி அகழ்வாராய்ச்சியாளர்களின் கட்டுமானம் மற்றும் பராமரிப்பு


மினி அகழ்வாராய்ச்சி கட்டுமான கண்டுபிடிப்பு மற்றும் புத்திசாலித்தனமான பராமரிப்பு: பெரிய திட்டங்களை சுமக்கும் சிறிய உடல்


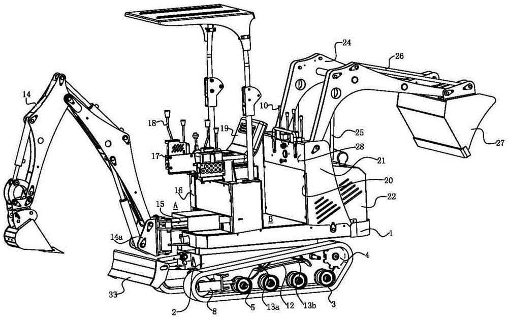
1 min மினி அகழ்வாராய்ச்சிகளின் கட்டுமானத்தின் பகுப்பாய்வு: நான்கு பரிமாண தொழில்நுட்பம் 'விண்வெளி மந்திரவாதி' என்பதை மறுவடிவமைத்தல்

சேஸ் மற்றும் நடைபயிற்சி அமைப்பு:


டெய்லஸ் டர்னிங் டிசைன்: சானி எஸ்.ஒய் 18 யூ போன்ற மாதிரிகள் ஒரு "பூஜ்ஜிய வால் புரோட்ரூஷன்" கட்டமைப்பை ஏற்றுக்கொள்கின்றன, வால் திருப்புதல் ஆரம் 0.86 மீட்டர் மட்டுமே, இது சுவர்களில் மோதியாமல் குறுகிய சுரங்கங்களில் 360 ° இலவச சுழற்சியை அனுமதிக்கிறது. அதே நேரத்தில், எங்கள் 0.8ton மினி அகழ்வாராய்ச்சி 1.1 மீ ஒரு திருப்புமுனையை அடைய முடியும், இது குறுகிய இடைவெளிகளில் இலவச மற்றும் நெகிழ்வான செயல்பாட்டை அனுமதிக்கிறது.


சரிசெய்யக்கூடிய டிராக் ஃபிரேம்: ட்ராக் கேஜ் சுதந்திரமாக சரிசெய்யப்படலாம் (980-1350 மிமீ விரிவாக்கம் மற்றும் சுருக்கத்தை ஆதரிக்கும் SY16C போன்றவை), 1 மீட்டரின் குறுகிய சந்துகளை கடப்பதை எளிதாக்குகிறது. ரப்பர் டிராக் கிரவுண்டிங் அழுத்தம் 25kPa வரை குறைவாக உள்ளது, இது நடைபாதை நிலத்தை பாதுகாக்கிறது.


சுய மசகு தாங்கு உருளைகள்: யன்மர் சேஸ் பாரம்பரிய பந்து தாங்கு உருளைகளுக்கு பதிலாக இக்லிடூர் ஜி தொடர் பிளாஸ்டிக் தாங்கு உருளைகளைப் பயன்படுத்துகிறது, அவை கறைபடிந்தவை, எதிர்ப்பு துரு மற்றும் பராமரிப்பு இல்லாதவை, சேவை வாழ்க்கையை மூன்று மடங்கு அதிகரிக்கும்.




சக்தி மற்றும் ஹைட்ராலிக் அமைப்பு:


இரட்டை பயன்முறை சக்தி புரட்சி: சிறிய அகழ்வாராய்ச்சி குபோட்டா KX019 ஐ ஏற்றுக்கொள்கிறது, இது டீசல்/எலக்ட்ரிக் ஒன் கிளிக் சுவிட்சிங்கை ஆதரிக்கிறது, 20 கிலோவாட் பேட்டரி பேக் 8 மணி நேர வரம்பை வழங்குகிறது, மேலும் உட்புற செயல்பாட்டு சத்தம் 66 டெசிபல்கள் வரை குறைவாக உள்ளது.


நுண்ணறிவு ஹைட்ராலிக் கட்டுப்பாடு: சுமை உணர்திறன் தொழில்நுட்பம் (ஷெங்காங் எஸ்.கே 35 எஸ்ஆர் -6 போன்றவை) ± 1.8%ஓட்ட விநியோக துல்லியத்தையும், 0.7 வினாடிகளின் கலப்பு நடவடிக்கை மறுமொழி வேகம் மற்றும் எரிசக்தி நுகர்வு குறைப்பு 22%ஐ அடைகிறது.




வேலை உபகரணங்களை மேம்படுத்துதல்:


அணிவகுப்பு எதிர்ப்பு அமைப்பு: காம்பாக்ட் அகழ்வாராய்ச்சியின் ஏற்றம் வெளிப்படுத்தப்பட்ட கூட்டு வெப்ப சிகிச்சையை (கடினத்தன்மை HRC55+) உட்படுத்தியுள்ளது, மேலும் வாளி ஹார்டாக்ஸ் 500 வேர்-எதிர்ப்பு தட்டு (கடினத்தன்மை HB500) உடன் பற்றவைக்கப்படுகிறது, அதன் சேவை வாழ்க்கையை 30%நீட்டிக்கிறது.


பக்க நகரும் கை காப்புரிமை: குபோட்டா யு -15-3 கள் 350 மிமீ 595 மிமீ/வலது விலகலின் இடது விலகலை அடைகின்றன, மேலும் சுவர் ஏற்றப்பட்ட அகழ்வாராய்ச்சியை உடலை நகர்த்த தேவையில்லை.


ரோட்டரி சாதனம், 360 ° ஆல்-ரவுண்ட் செயல்பாடு, பல்வேறு வேலை சூழல்களுக்கு ஏற்ப நெகிழ்வானது.


மனித கணினி தொடர்பு மேம்படுத்தல்


ரோல் ஓவர் ரெசிஸ்டன்ட் கேப்: ராப்ஸ்/ஃபாப்ஸால் சான்றிதழ் (16 டன் நிலையான அழுத்தத்தை எதிர்க்கும்), மிதக்கும் இருக்கைகள், எல்சிடி தொடுதிரை மற்றும் ஏஐ சரவுண்ட் வியூ கண்காணிப்பு ஆகியவற்றைக் கொண்டுள்ளது, குருட்டு புள்ளிகளை 40%குறைக்கிறது.


2 、 பராமரிப்பு மற்றும் தினசரி பராமரிப்பு:

தினசரி பராமரிப்பின் பொன்னான விதி


ஹைட்ராலிக் எண்ணெய் மேலாண்மை: கோடையில் உடைய எதிர்ப்பு ஹைட்ராலிக் எண்ணெய் எண் 68 மற்றும் குளிர்காலத்தில் குறைந்த பாகுத்தன்மை எண்ணெய் எண் 32 ஐப் பயன்படுத்துங்கள். பம்ப் மற்றும் வால்வு உடைகளைத் தடுக்க NAS (≤ நிலை 8) இன் தூய்மையை தவறாமல் சரிபார்க்கவும்.


வெண்ணெய் நிரப்புதல் சுழற்சி: ரோட்டரி தாங்கிக்கு ஒவ்வொரு 10 நாட்களுக்கும் கிரீஸ் செலுத்துங்கள், மேலும் முள் தண்டு சிக்கிக்கொள்வதைத் தவிர்க்க வேலை செய்யும் சாதனத்தின் கீல் புள்ளிக்கு ஒவ்வொரு 4-8 மணி நேரத்திற்கும் உயர் அழுத்த கிரீஸை செலுத்தவும்.




முக்கிய கூறு ஆயுள் நீட்டிப்பு நுட்பம்:


ட்ராக் சிஸ்டம்: மிகவும் தளர்வான (குதிக்கும் பற்கள்) அல்லது மிகவும் இறுக்கமாக (உடைகளை விரைவுபடுத்தும்) தவிர்க்க பதற்றத்தை சரிசெய்யவும்; துணை சக்கரத்தின் சீல் தோல்வியைத் தடுக்க சரளை தவறாமல் சுத்தம் செய்யுங்கள்.


"இரும்பு முக்கோணத்தை அணியுங்கள்":

விரிசல்/500H க்கான ஷூ ஆய்வு

டிரைவ் ஸ்ப்ராக்கெட் பற்கள் தரையில் தட்டையானவை மற்றும் உடனடியாக மாற்றப்படுகின்றன

மந்த சக்கர முத்திரை எண்ணெய் கசிவு சரிசெய்யப்பட வேண்டும்

ஸ்டோவர்ஸ் கேட் புள்ளிவிவரங்களின்படி, இந்த மூன்று வகையான கூறுகளால் 80% சேஸ் தோல்விகள் ஏற்படுகின்றன.


தீவிர வேலை நிலைமைகளைக் கையாள்வதற்கான வழிகாட்டுதல்கள்:


அதிக உயர செயல்பாடு: மினி அகழ்வாராய்ச்சியின் டர்போசார்ஜ் செய்யப்பட்ட எஞ்சின் 15%மின் இழப்பீட்டைக் கொண்டுள்ளது, மேலும் ஹைட்ராலிக் அமைப்பில் ஓட்ட இழப்பைத் தடுக்க அழுத்தம் இழப்பீட்டு வால்வு பொருத்தப்பட்டுள்ளது.

நீர் வேடிங் ஆபரேஷன்: இத்தாலிய வெள்ள மீட்பில், நவீன HX35AZ ஒரு சீல் செய்யப்பட்ட சுற்று தொகுதி மூலம் 0.8 மீட்டர் ஆழத்தை அடைந்தது.


நீண்ட கால சேமிப்பு தரநிலைகள்:


உலர்ந்த அறையில் நிறுத்தவும், தரையிறங்கும் அழுத்தத்தைக் குறைக்க தடங்களை ஆதரிக்கவும்;

ஒடுக்கத்தைத் தடுக்க எரிபொருள் தொட்டியை நிரப்பவும், முத்திரை வயதானதைத் தடுக்க அனைத்து ஹைட்ராலிக் சிலிண்டர்களையும் திரும்பப் பெறவும்;

சர்க்யூட் போர்டு ஈரமாக இருப்பதைத் தடுக்க ஒவ்வொரு 3 மாதங்களுக்கும் ஒரு முறை தொடங்கவும்.


3 、 தொழில்நுட்ப எல்லை: தொழில்துறை சூழலியல் மின்மயமாக்கல் மற்றும் அறிவார்ந்த மறுசீரமைப்பு

சக்தி புரட்சி:


மட்டு பேட்டரி: ஹிட்டாச்சி ZX55U-6EB வணிக சக்தி மற்றும் பேட்டரியின் இரட்டை இயக்கத்தை ஆதரிக்கிறது, 6 மணி நேரத்தில் 10 மணிநேர செயல்பாட்டை சந்திக்க 2 மணிநேர வேகமாக சார்ஜ் செய்கிறது.


ஹைட்ரஜன் ஆற்றல் சோதனை: பூஜ்ஜிய கார்பன் கட்டுமானத்தை அடைய எச்டி ஹூண்டாய் ஒரு ஹைட்ரஜன் எரிபொருள் இயந்திரத்தை (எச்எக்ஸ் 12) உருவாக்கியுள்ளது.


முன்கணிப்பு பராமரிப்பு:


IoT ரிமோட் கண்டறிதல்: SANY SY35U HI மேட் அமைப்பைக் கொண்டுள்ளது, இது எண்ணெய் வெப்பநிலை மற்றும் அதிர்வு தரவை உண்மையான நேரத்தில் பகுப்பாய்வு செய்கிறது, தவறு எச்சரிக்கை துல்லிய விகிதத்துடன் 92%.


AR பராமரிப்பு உதவி: கைஸ் மைக்ரோ அகழ்வாராய்ச்சி சிறிய அகழ்வாராய்ச்சிகளுக்கு வி.ஆர் செயல்பாட்டு பயிற்சியை வழங்குகிறது, 30 தவறான காட்சிகளை உருவகப்படுத்துகிறது மற்றும் பராமரிப்பு செயல்திறனை 40%மேம்படுத்துகிறது.


4 、 நடைமுறை சாட்சி: பண்டைய வீடு மறுசீரமைப்பு முதல் சுரங்க தடுப்பு வரை

தைஜோவில் ஒரு மிங் மற்றும் கிங் வம்ச அறிஞரின் குடியிருப்பை மீட்டெடுப்பது: குபோட்டா யு -15-3 எஸ் சிறிய அகழ்வாராய்ச்சி ஒரு நிலத்தடி குழாய் அகழியின் அகழ்வாராய்ச்சியை 0.85 மீட்டர் வளைவு மூலம் நிறைவு செய்தது, மேலும் ஏற்றத்தின் பக்கவாட்டு இயக்க செயல்பாடு பண்டைய சுவரை 95% அப்படியே விகிதத்துடன் பாதுகாத்தது.


சிலி செப்பு சுரங்கத்தில் நிலத்தடி செயல்பாடுகள்: மாற்றியமைக்கப்பட்ட வலுவூட்டப்பட்ட வண்டியைக் கொண்ட ஒரு சிறிய அகழ்வாராய்ச்சி 300 மணி நேரம் எந்தவொரு செயலிழப்புகளும் இல்லாமல் தொடர்ந்து இயங்குகிறது, இதன் விளைவாக ஏற்றுதல் செலவுகளில் 23% குறைப்பு ஏற்படுகிறது.


டோக்கியோ இரவுநேர நகராட்சி கட்டுமானம்: சானி SY19E மினி அகழ்வாராய்ச்சியின் தூய மின்சார பதிப்பு 66 டெசிபல்களில் அமைதியாக இயங்குகிறது, இது நகரத்தின் "கட்டுமான நேர சாளரத்தின்" பிரச்சினையைத் தீர்க்கிறது.


முடிவு: ஒரு சிறிய உடல் ஒரு பெரிய எதிர்காலத்தைக் கொண்டுள்ளது

0.8-டன் அல்ட்ரா-மெல்லிய மாதிரி முதல் 4-டன் ஹெவி-டூட்டி போர்வீரன் வரை, சிறிய அகழ்வாராய்ச்சிகள் துல்லியமான கட்டுமானம், பன்முகப்படுத்தப்பட்ட எரிசக்தி ஆதாரங்கள் மற்றும் புத்திசாலித்தனமான பராமரிப்பு ஆகியவற்றின் மூன்று பரிணாமத்திற்கு உட்பட்டுள்ளன, உலகளாவிய கட்டுமான முன்னுதாரணத்தை மறுவடிவமைக்கின்றன. இந்திய சந்தையில் 3100 யூனிட்டுகளைத் தாண்டிய வருடாந்திர விற்பனை மற்றும் 2025 க்குள் மின்சார மோட்டார்கள் 40% ஊடுருவல் விகிதம் என மதிப்பிடப்பட்டுள்ளது, இந்த தொழில்நுட்ப புரட்சி "பெரியதைப் பெறுவதற்கு" இந்த தொழில்நுட்ப புரட்சி டிரில்லியன் டாலர் சந்தையில் ஒரு பொன்னான வாய்ப்பைக் கண்டறிய விதிக்கப்பட்டுள்ளது.


தொழில் பராமரிப்பு அனுபவம்:

சிறிய அகழ்வாராய்ச்சியாளர்களைப் பொறுத்தவரை, துல்லிய வடிவமைப்பு முதுகெலும்பாகும், அதே நேரத்தில் புத்திசாலித்தனமான பராமரிப்பு என்பது உயிர்நாடியாகும், பராமரிப்பு செலவுகளை 1 யுவான் மூலம் மிச்சப்படுத்துகிறது மற்றும் பழுதுபார்க்கும் செலவுகளை 10 யுவான் குறைக்கிறது.



தொடர்புடைய செய்திகள்
எனக்கு ஒரு செய்தி அனுப்பு
செய்தி பரிந்துரைகள்
மின்னஞ்சல்
market@everglorymachinery.com
டெல்
+86-18153282520
கைபேசி
முகவரி
Changjiang மேற்கு சாலை, Huangdao மாவட்டம், Qingdao நகரம், Shandong மாகாணம், சீனா
X
உங்களுக்கு சிறந்த உலாவல் அனுபவத்தை வழங்கவும், தள போக்குவரத்தை பகுப்பாய்வு செய்யவும் மற்றும் உள்ளடக்கத்தைத் தனிப்பயனாக்கவும் நாங்கள் குக்கீகளைப் பயன்படுத்துகிறோம். இந்தத் தளத்தைப் பயன்படுத்துவதன் மூலம், எங்கள் குக்கீகளைப் பயன்படுத்துவதை ஒப்புக்கொள்கிறீர்கள். தனியுரிமைக் கொள்கை
நிராகரிக்கவும் ஏற்றுக்கொள்